104㎡三居北欧风格中建御景星城
发布时间:
2019年07月08日
小区:中建御景星城 面积:104㎡ 户型:三居 风格:北欧风格
设计说明
此案例是三代同堂。业主对这套房子的设计以及硬装要求很高,业主自己也有大概的改造想法,所以前期的沟通比较顺利,户型虽小,但是五脏俱全,满足业主所有要求的同时,整个空间还要显得简洁、宽敞,舒适。入户就是餐厅,由于是三代同堂,六口人居住,业主对储物空间要求很高,按照业主原有的想法是办法在餐厅加酒柜的功能,设计师现将小孩房的卧室门改在电视背景墙上,餐厅这边增加了整排酒柜,同时小孩卧室门和主卧门形成对称的背景;业主使用了烘干机,所以想充分利用阳台的空间给小孩读书、写作业使用,整个阳台两侧设计了书柜,中间整条书桌,不仅可以学习、工作,也是一家人互动玩耍的区域。客厅不适用电视,直接使用投影仪,节省了原有电视柜的摆放空间,给了两个小孩更大的活动空间,客厅和阳台成为一个整体,通透、明亮。本案最大的设计两点就在狭小的卫生间区域,因为家里人口较多,平时会出现抢卫生间的情况,所以设计师将卫生间的功能全部分开,采用了分离式卫生间的设计,原有的阳台改为了淋浴区,将厨房进门口的区域缩小,扩大进卫生间马桶间,增加卫生间的空间,面盆空间往客厅扩大20公分,同时将洗衣机、烘干机和面盆设计为一体,节省空间,也不失美感;此设计也增加了厨房的操作台面,淋浴区缩小,U字形厨房,为洗碗机增加了空间。整体在设计中融合及运用
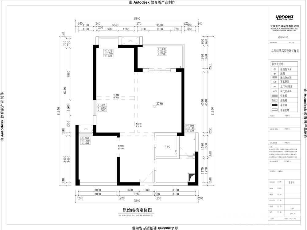
户型图

餐厅

客厅



卧室





京公安网备11010502040911